
Tekrarlanabilirlik: ±0,01 mm
Yatay Yük: 150 kg
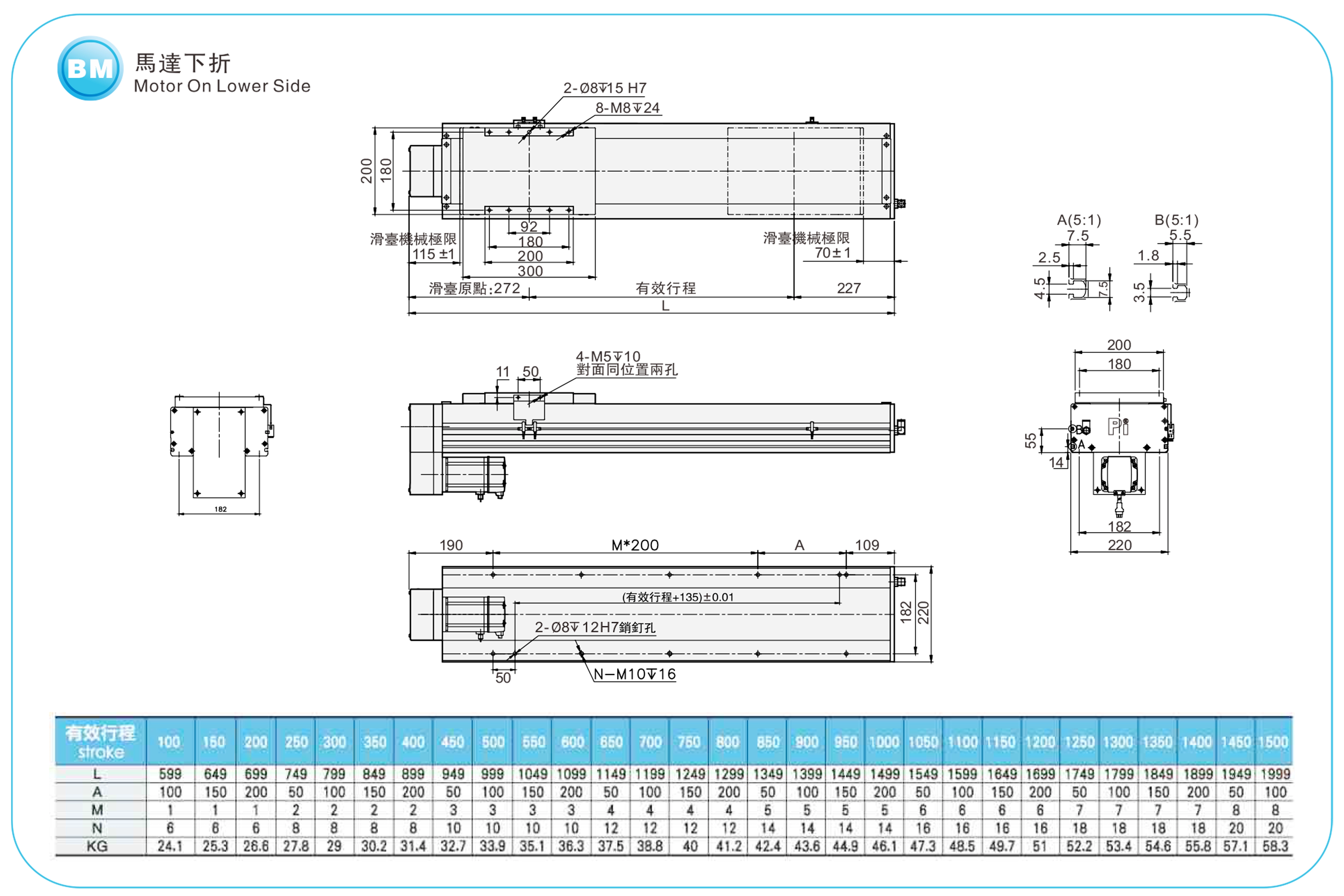
Dikey Yük: 55 kg
Maksimum Hız: 2000 mm/s
Strok Aralığı: 100-1500 mm
Motorun hızlanma ve yavaşlama sürelerini 0,2 saniyeye ayarlayın.
Standart özellikler, ters vinçlerin kullanımı için geçerli değildir. Herhangi bir talebiniz varsa, lütfen telefonla bizimle iletişime geçin veya çevrimiçi olarak mesaj bırakın.
Teslim süresi: 7-10 gün






| Özel | Tekrarlanabilirlik (mm) | ±0,01 | ||||
| Bilyalı Vidalı Vida Adımı (mm) | 5 | 10 | 20 | 40 | ||
| Maksimum Hız (mm/sn) | 250 | 500 | 1000 | 2000 | ||
| Maksimum Yük Kapasitesi | Yatay (kg) | 150 | 150 | 105 | 40 | |
| Dikey (kg) | 55 | 45 | 20 | 12 | ||
| Nominal İtme Kuvveti (N) | 2565 | 1281 | 640 | 320 | ||
| Vuruş Aralığı (mm) | 100-1500 mm/50 mm Adım | |||||
| Parçalar | AC Servo Motor Gücü (W) | 750W | ||||
| Bilyalı Vida Ø (mm) | C7Ø25 | |||||
| Yüksek Rijitlikli Lineer Kılavuz (mm) | W23XH18 | |||||
| Bağlantı (mm) | 17X19 | |||||
| Ev Sensörü | Dıştan | EE-SX672(NPN) | ||||
| Dahili | EE-SX674(NPN) | |||||


| Yatay Kurulum | A | B | C | |
| Kurşun5 | 100 kg | 5000 | 633 | 557 |
| 125 kg | 3880 | 491 | 431 | |
| 150 kg | 3357 | 396 | 347 | |
| Kurşun10 | 100 kg | 3220 | 563 | 474 |
| 125 kg | 2554 | 434 | 367 | |
| 150 kg | 2113 | 349 | 295 | |
| Kurşun25 | 65 kg | 1522 | 614 | 458 |
| 85 kg | 1136 | 451 | 336 | |
| 105 kg | 893 | 350 | 262 | |
| Kurşun40 | 18 kg | 2445 | 1616 | 1052 |
| 30 kg | 1436 | 938 | 613 | |
| 40 kg | 978 | 630 | 412 | |

| Duvar Montajı | A | B | C | |
| Kurşun5 | 110 kg | 500 | 569 | 4500 |
| 130 kg | 412 | 469 | 3711 | |
| 150 kg | 347 | 396 | 3357 | |
| Kurşun10 | 110 kg | 427 | 503 | 2900 |
| 130 kg | 351 | 414 | 2444 | |
| 150 kg | 295 | 349 | 2113 | |
| Kurşun25 | 70 kg | 420 | 564 | 1404 |
| 90 kg | 315 | 420 | 1066 | |
| 105 kg | 262 | 350 | 893 | |
| Kurşun40 | 15 kg | 1272 | 1955 | 2948 |
| 24 kg | 778 | 1190 | 1813 | |
| 43 kg | 412 | 630 | 978 | |

| Dikey Kurulum | A | C | |
| Kurşun5 | 30 kg | 2355 | 2355 |
| 40 kg | 1768 | 1768 | |
| 55 kg | 1288 | 1288 | |
| Kurşun10 | 25 kg | 2505 | 2505 |
| 35 kg | 1795 | 1795 | |
| 45 kg | 1396 | 1396 | |
| Kurşun25 | 15 kg | 2711 | 2711 |
| 20 kg | 2033 | 2033 | |
| 20 kg | 2033 | 2033 | |
| Kurşun40 | 7 kg | 3511 | 3511 |
| 12 kg | 2055 | 2055 | |
| 12 kg | 2055 | 2055 | |

| BENİM | 2052 |
| MP | 2052 |
| Bay | 1810 |
| Kullanım Alanı | Sürüş Modu | Model Özellikleri | Motor Çıkışı (w) | Genişlik (mm) | Tekrarlanabilirlik (mm) | Bilyalı Vida Özellikleri | Maksimum Yük Kapasitesi (kg) | Maksimum hız (mm/s) *1 | ||
|---|---|---|---|---|---|---|---|---|---|---|
| Dış Çap (mm) | Kurşun (mm) | Yatay | Dikey | |||||||
| Standart Çevre | Bilyalı Vida | RMD12 | 100W | 102 | ±0,01 | 16 | 5 | 50 | 12 | 250 |
| 10 | 30 | 8 | 500 | |||||||
| 20 | 18 | 3 | 1000 | |||||||
| 32 | 5 | - | 1600 | |||||||
| 200W | 102 | ±0,01 | 16 | 5 | 50 | 12 | 250 | |||
| 10 | 30 | 8 | 500 | |||||||
| 20 | 18 | 3 | 1000 | |||||||
| 32 | 5 | - | 1600 | |||||||
| RMD14 | 200W | 135 | ±0,01 | 16 | 5 | 95 | 27 | 250 | ||
| 10 | 75 | 18 | 500 | |||||||
| 20 | 35 | 7 | 1000 | |||||||
| 32 | 15 | - | 1600 | |||||||
| 400W | 135 | ±0,01 | 16 | 5 | 110 | 33 | 250 | |||
| 10 | 88 | 22 | 500 | |||||||
| 20 | 40 | 10 | 1000 | |||||||
| 32 | 30 | 8 | 1600 | |||||||
| RMD17 | 400W | 170 | ±0,01 | 20 | 5 | 120 | 40 | 250 | ||
| 10 | 110 | 30 | 500 | |||||||
| 20 | 75 | 14 | 1000 | |||||||
| 40 | 22 | 7 | 2000 | |||||||
| 750W | 170 | ±0,01 | 20 | 5 | 120 | 50 | 250 | |||
| 10 | 120 | 40 | 500 | |||||||
| 20 | 83 | 25 | 1000 | |||||||
| 40 | 43 | 12 | 2000 | |||||||
| RMD22 | 750W | 220 | ±0,01 | 25 | 5 | 150 | 55 | 250 | ||
| 10 | 150 | 45 | 500 | |||||||
| 25 | 105 | 20 | 1250 | |||||||
| 20 | 40 | 43 | 12 | 2000 | ||||||
| RMD28 | 1500W | 280 | ±0,01 | 32 | 10 | 320 | 150 | 500 | ||
| 20 | 180 | 75 | 1000 | |||||||
| 32 | 75 | 35 | 1600 | |||||||
* En yüksek hız, servo motorun maksimum devir sayısına (3000 rpm) göre belirlenir. En yüksek hız, step motorun maksimum devir sayısına (500 rpm) göre belirlenir.






